FH M5 008 11 032
Termékszám:
FHM500811032
11
detail.productZeissNumberLabel 602030-8060-000
detail.productZeissNumberLabel 602030-8060-000
FH M5 008 11 032
Termékszám:
FHM500811032
44,00 EUR*
Elérhető, szállítási idő 1-3 days
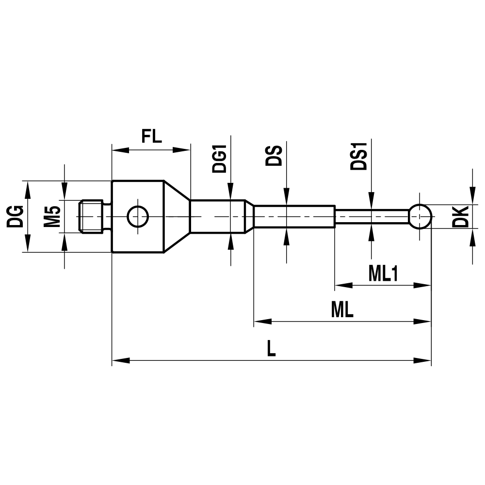
Straight Styli; base: stainless steel; stem: carbide; ball: ruby
Straight stylus with stepped reinforced body.
The extremely rigid tungsten carbide stem allows a wide range of dimensions. The stem can be single or multi-stepped.
Ruby balls of the highest quality from Ø0,2mm to Ø1,0mm are used for these styli.
Other dimensions can be requested via the configurator or by e-mail.
| Thread size: | M5 |
|---|---|
| customFields.itp_product_attributes_dk: | 0.8 |
| customFields.itp_product_attributes_l: | 32.0 |
| customFields.itp_product_attributes_dg: | 11.0 |
| DG (1): | 4.0 |
| customFields.itp_product_attributes_fl: | 9.0 |
| customFields.itp_product_attributes_ml: | 12.0 |
| customFields.itp_product_attributes_ml_1: | 4.8 |
| customFields.itp_product_attributes_ds: | 1.0 |
| customFields.itp_product_attributes_ds_1: | 0.6 |
| Stem Material: | carbide |
| Base Material: | stainless steel |
| Probe ball material: | ruby |
| Súly: | 6.5 |
| Compatible with: | Renishaw, Zeiss |
| customFields.itp_product_attributes_zeiss_no: | 602030-8060-000 |
| customFields.itp_product_attributes_renishaw_no: | A-5555-0052 |