TH M5 030 11 033
Termékszám:
THM503011033
11
detail.productZeissNumberLabel 600342-8020-000, 600432-8020-000
detail.productZeissNumberLabel 600342-8020-000, 600432-8020-000
TH M5 030 11 033
Termékszám:
THM503011033
27,00 EUR*
Elérhető, szállítási idő 1-3 days
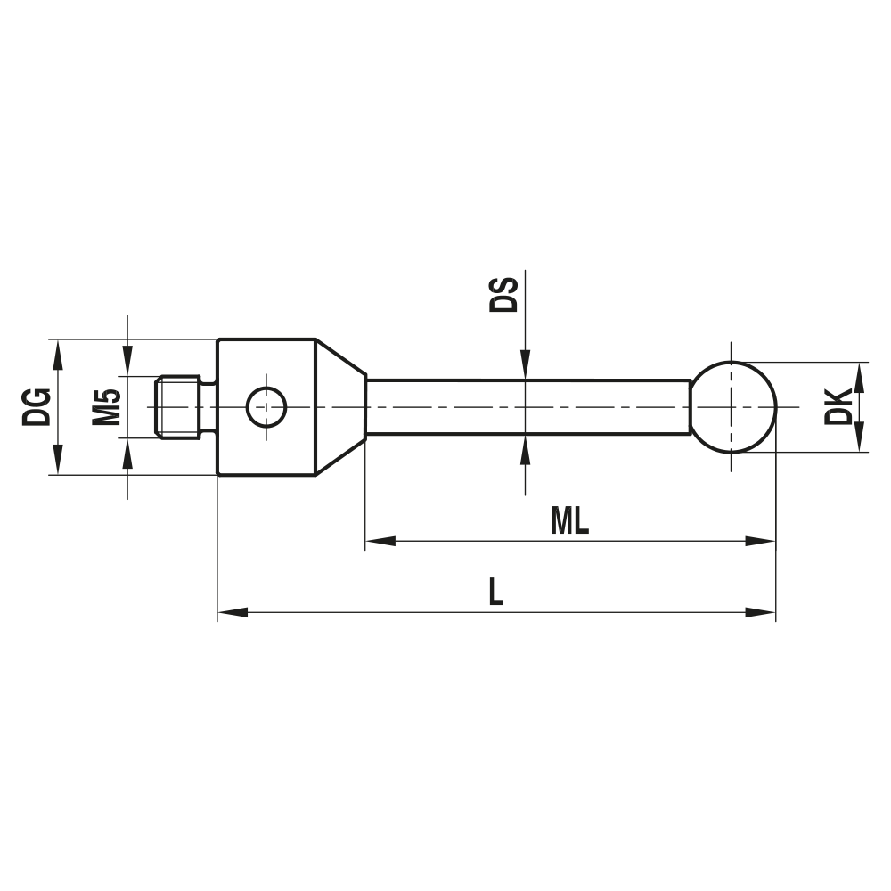
Straight Styli; base: titanium; stem: carbide; ball: ruby
Straight stylus for everyday standard use.
The carbide stem with its extreme rigidity enables a wide range of dimensions. Ruby balls of the highest quality from Ø2,0mm to Ø10,0mm are used for these styli.
Other sizes can be requested via the configurator or by e-mail.
| Thread size: | M5 |
|---|---|
| customFields.itp_product_attributes_dk: | 3.0 |
| customFields.itp_product_attributes_l: | 33.5 |
| customFields.itp_product_attributes_dg: | 11.0 |
| customFields.itp_product_attributes_ml: | 23.5 |
| customFields.itp_product_attributes_ds: | 2.0 |
| Stem Material: | carbide |
| Base Material: | titanium |
| Probe ball material: | ruby |
| Súly: | 4.3 |
| Compatible with: | Hexagon, Renishaw, Zeiss |
| customFields.itp_product_attributes_zeiss_no: | 600342-8020-000, 600432-8020-000 |
| customFields.itp_product_attributes_renishaw_no: | A-5003-0788, A-5555-0019 |
| customFields.itp_product_attributes_hexagon_no: | M00-1121-049-000 |