TH M5 080 11 063
Termékszám:
THM508011063
11
detail.productZeissNumberLabel 600342-8023-000
detail.productZeissNumberLabel 600342-8023-000
TH M5 080 11 063
Termékszám:
THM508011063
50,00 EUR*
Elérhető, szállítási idő 1-3 days
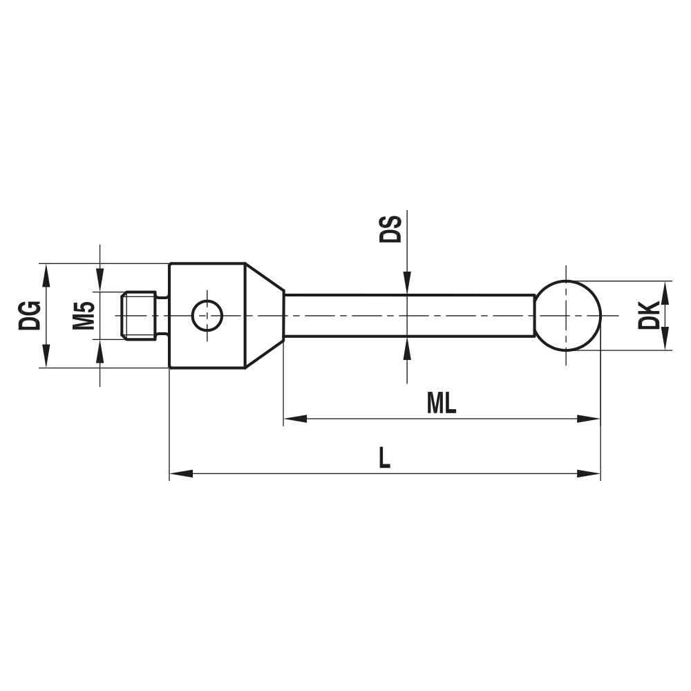
Straight Styli; base: titanium; stem: carbide; ball: ruby
Straight stylus for everyday standard use.
The carbide stem with its extreme rigidity enables a wide range of dimensions. Ruby balls of the highest quality from Ø2,0mm to Ø10,0mm are used for these styli.
Other sizes can be requested via the configurator or by e-mail.
| Thread size: | M5 |
|---|---|
| customFields.itp_product_attributes_dk: | 8.0 |
| customFields.itp_product_attributes_l: | 63.5 |
| customFields.itp_product_attributes_dg: | 11.0 |
| customFields.itp_product_attributes_ml: | 50.5 |
| customFields.itp_product_attributes_ds: | 6.0 |
| Stem Material: | carbide |
| Base Material: | titanium |
| Probe ball material: | ruby |
| Súly: | 24.7 |
| Compatible with: | Renishaw, Zeiss |
| customFields.itp_product_attributes_zeiss_no: | 600342-8023-000 |
| customFields.itp_product_attributes_renishaw_no: | A-5003-0799, A-5555-0029 |