TH M5 S30 11 058/K
Termékszám:
THM5S3011058/K
11
detail.productZeissNumberLabel 626115-0300-058
detail.productZeissNumberLabel 626115-0300-058
TH M5 S30 11 058/K
Termékszám:
THM5S3011058/K
33,00 EUR*
Elérhető, szállítási idő 1-3 days
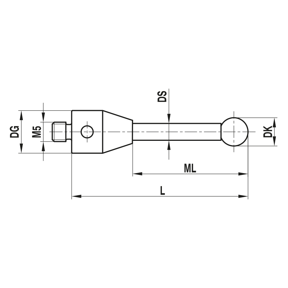
Straight Styli; base: titanium; stem: carbide; ball: silicon nitride
Straight stylus for everyday standard use.
The extremely rigid carbide stem allows a wide range of dimensions.
Depending on the measuring system, styli with Ø10,0 mm, Ø11,0 mm and Ø12,0 mm holders are available in this group.
The silicon nitride balls are particularly recommended for scanning untreated aluminium parts.
In this product group you will find styli with ball sizes from Ø1,5mm to Ø10,0mm.
Other sizes can be requested via the configurator or by e-mail.
| Thread size: | M5 |
|---|---|
| customFields.itp_product_attributes_dk: | 3.0 |
| customFields.itp_product_attributes_l: | 58.0 |
| customFields.itp_product_attributes_dg: | 11.0 |
| customFields.itp_product_attributes_ml: | 48.0 |
| customFields.itp_product_attributes_ds: | 2.0 |
| Stem Material: | carbide |
| Base Material: | titanium |
| Probe ball material: | silicon nitride |
| Súly: | 5.4 |
| Compatible with: | Zeiss |
| customFields.itp_product_attributes_zeiss_no: | 626115-0300-058 |